Yamah RD 350 31K Bj.83
Moderatoren: solo, Kilroy, Stefan Philipp (M)
- stullefumi
- Beiträge: 1320
- Registriert: Sa 5. Aug 2006, 21:43
- Wohnort: Haltern
Re: Yamah RD 350 31K Bj.83
Deine Lima hat extra Ladespulen für die CDI.
Die gehen gerne mal ko. Die 12 V brauchst du nicht für einen Zündfunken.
Gruß
Stulle
Die gehen gerne mal ko. Die 12 V brauchst du nicht für einen Zündfunken.
Gruß
Stulle
TDR 421 in mache , RD 400 LC, TDR 250
[/align]
[/align]Re: Yamah RD 350 31K Bj.83
Schau dir das mal an, da steht das wichtigste an Infos drinnen.
https://share.google/2X23r5n0hOgguPi7M
https://share.google/2X23r5n0hOgguPi7M
[schild=standard fontcolor=000000 shadowcolor=C0C0C0 shieldshadow=1]tuneup[/schild]
- georg_horn
- Beiträge: 3030
- Registriert: Do 21. Sep 2006, 14:37
- Wohnort: Koblenz
- Kontaktdaten:

Re: Yamah RD 350 31K Bj.83
An meiner 1WW wars wie gesagt mal die Lima, das war aber noch beim Vorbesitzer, der hat dann beim Händler die Lima noch tauschen lassen bevor ich sie gekauft habe. Danach war mal ein Stecker an der Primärseite der Zündspule lose, das führte aber nur zum Ruckeln.ypvs-ypvs hat geschrieben: Mi 17. Dez 2025, 10:53ich bin auch nicht der typ der sofort auf bauteile oder steuergeräte geht, um evt nen treffer zu haben.nur langsam gehen so die dinge aus die man prüfen kann.
kerzen hab ich mal ausser vorgelassen, funktionieren ja mit top verbrennungsfarve sonst , auch ohne aussetzer etc.
daher wär mir ja ein erfahrungsbericht von jemandem der den gleichen oder ähnlichen fehler hat sehr hilfreich, hab nur leider keine lösung in dem fall gefunden, immer nur fehlerbeschreibung.
Grundsätzlich muss man alles prüfen oder probeweise tauschen, um 100% sicher zu gehen auch die Kerzen. Meist tauscht und tauscht man aber, mit den einfachsten Sachen beginnend, und am Ende ist es dann doch die Lima oder CDI, oder bei Moppeds mit Batteriezündung die Pickups.
So geschehen an einer Kawa 750 Turbo. Blieb immer wieder mal stehen und sprang dann nach herumsuchen irgendwann wieder an. Spritfilter getauscht, Benzindruckmesser eingebaut (Druck war immer gut), Kerzen, Stecker, Zündspulen getauscht, CDI getauscht, jedesmal gedacht, das wars jetzt, bis sie irgendwann garnicht mehr ansprang. Die Pickups waren dann noch das Letzte, die getauscht und sie lief wieder. Probeweise nochmal zurück und wieder vorwärts getauscht, die waren es wirklich... Dass sie nach herumsuchen immer irgendwann wieder ging lag vermutlich daran, das sie während des Suchens abgekühlt war...
Gruss,
Georg
Fahrt so schnell ihr könnt, so lange ihr noch könnt!
(Uli Peil im XJ-Forum)
Georg
Fahrt so schnell ihr könnt, so lange ihr noch könnt!
(Uli Peil im XJ-Forum)
Re: Yamah RD 350 31K Bj.83
Hallo,ypvs-ypvs hat geschrieben: Mi 17. Dez 2025, 10:53
das mit der lima als fehler erschliesst sich mir nicht,
da ja strom von der batterie als puffer da ist, oder ist das anders geschaltet das nur mit lima-ladung motorlauf möglich ist???
guck dir den Schaltplan auf S.82 des von Wiba verlinkten Dokuments an.
Unten, wo Lima steht, sieht man insges. 6 Spulen.
Rechts ist der Pick-up, die 3 Spulen in der Mitte machen die Bordspannung und die 2 Spulen links ( 3x Kabel zur CDI) versorgen die CDI.
Letztere führen gerne zu diesen merkwürdigen Effekten - läuft - läuft nicht.
Natürlich kann auch die pick-up spule defekt sein, aber eher seltener.
Die Zündung arbeitet völlig unabhängig vom 'Strom der Batterie' - was Stulle schon schrieb.
Das schöne an einem Umbau auf Ignitec ist, dass das gleich zwei potentielle Ursachen behebt:
1) Ladespule/n defekt
und/oder
2) CDI defekt
Solange die Ignitec mit min. 10V versorgt wird rennt die Hütte.
Re: Yamah RD 350 31K Bj.83
hi,
ja, danke für den super input!
ist ja clever gemacht mit der ignitec, man elemeniert einen möglichen fehler oder wenn er da ist braucht man die beiden spulen nicht mehr.
kommt man am modernisieren nicht vorbei!!
ist das dann plug and play auf eine ypvs gefertigt oder ist das eher nen uniteil, (stecker umstricken, kennfeld selbst aufspielen??) ???
ich habe die ganzen steckverbindungen von der lima /cdi/pv steuerung/zündspule behandelt, vor allem die rundhülsen sahen alle mit bissi grau/grünen schmock aus bzw pulver gebildet, stecker waren scheinbar noch nie auseinander.
ja, danke für den super input!
ist ja clever gemacht mit der ignitec, man elemeniert einen möglichen fehler oder wenn er da ist braucht man die beiden spulen nicht mehr.
kommt man am modernisieren nicht vorbei!!
ist das dann plug and play auf eine ypvs gefertigt oder ist das eher nen uniteil, (stecker umstricken, kennfeld selbst aufspielen??) ???
ich habe die ganzen steckverbindungen von der lima /cdi/pv steuerung/zündspule behandelt, vor allem die rundhülsen sahen alle mit bissi grau/grünen schmock aus bzw pulver gebildet, stecker waren scheinbar noch nie auseinander.
RD 350 YPVS 31 K voll orig. 1983
Malaguti Fifty HF Sport Bj. 80 (im Vorruhestand)
Malaguti Fifty HF Sport Bj. 80 (im Vorruhestand)
Re: Yamah RD 350 31K Bj.83
Moin
es gibt versch. Versionen.
wenn du direkt beim Hersteller bestellst, kommt das Teil mit einer passenden Zündkurve.
Die Lieferung kann dann 2-3 Wochen dauern.
Ansonsten sind das 'uniteile', wo man die Zündkurven später auch selbst ändern kann.
Dafür braucht man ein RS232 Verbindungskabel oder einen RS232 auf USB Adapter.
Gibt es auch beim Hersteller.
Dazu dient der kleinere Stecker links unten auf Bild 2.
Der original 31K pick-up kann weiter verwendet werden.
Physisch ist da leider nix plug and play.
Der Anschuss-Stecker kommt mit offenen Kabelenden, die zum Motorrad hin selbst konvektioniert werden müssen.
Du brauchst also auch noch Kabelverlängerungen und enstpr. Werkzeug bzw. Quetschzange.
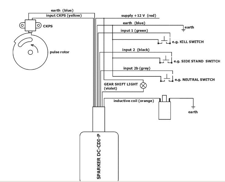
welche version du brauchst kann ich nicht 100% sagen, ich glaube es ist die DC-CDI-P2, s. Bild 2
Das letzte Bild zeigt das Anschluss-Schema der kleineren Version (DC-CDI-P), wo aber der Anschluss für power-valve fehlt.
Das ist im Schaltplan S.82 das schwarz-gelbe Kabel (SwGe).
es gibt versch. Versionen.
wenn du direkt beim Hersteller bestellst, kommt das Teil mit einer passenden Zündkurve.
Die Lieferung kann dann 2-3 Wochen dauern.
Ansonsten sind das 'uniteile', wo man die Zündkurven später auch selbst ändern kann.
Dafür braucht man ein RS232 Verbindungskabel oder einen RS232 auf USB Adapter.
Gibt es auch beim Hersteller.
Dazu dient der kleinere Stecker links unten auf Bild 2.
Der original 31K pick-up kann weiter verwendet werden.
Physisch ist da leider nix plug and play.
Der Anschuss-Stecker kommt mit offenen Kabelenden, die zum Motorrad hin selbst konvektioniert werden müssen.
Du brauchst also auch noch Kabelverlängerungen und enstpr. Werkzeug bzw. Quetschzange.
welche version du brauchst kann ich nicht 100% sagen, ich glaube es ist die DC-CDI-P2, s. Bild 2
Das letzte Bild zeigt das Anschluss-Schema der kleineren Version (DC-CDI-P), wo aber der Anschluss für power-valve fehlt.
Das ist im Schaltplan S.82 das schwarz-gelbe Kabel (SwGe).
- stullefumi
- Beiträge: 1320
- Registriert: Sa 5. Aug 2006, 21:43
- Wohnort: Haltern
Re: Yamah RD 350 31K Bj.83
Du kannst bei Ignitec auch passende Stecker zum originalen Kabelbaum bestellen. Ging zumindestens bei der TDR so.
Gruß
Stulle
Gruß
Stulle
TDR 421 in mache , RD 400 LC, TDR 250
[/align]
[/align]- georg_horn
- Beiträge: 3030
- Registriert: Do 21. Sep 2006, 14:37
- Wohnort: Koblenz
- Kontaktdaten:

Re: Yamah RD 350 31K Bj.83
Man muss dann aber zwigend eine Batterie haben, oder? Das Schöne an der Originalzündung ist, dass man die Batterie durch einen kleinen Kondensator ersetzen kann und nie mehr Huddel mit der Batterie hat und nicht mehr alle 2-3 Jahre eine neue kaufen muss.dubbio hat geschrieben: Mi 17. Dez 2025, 16:47Die Zündung arbeitet völlig unabhängig vom 'Strom der Batterie' - was Stulle schon schrieb.
Das schöne an einem Umbau auf Ignitec ist, dass das gleich zwei potentielle Ursachen behebt:
1) Ladespule/n defekt
und/oder
2) CDI defekt
Gruss,
Georg
Fahrt so schnell ihr könnt, so lange ihr noch könnt!
(Uli Peil im XJ-Forum)
Georg
Fahrt so schnell ihr könnt, so lange ihr noch könnt!
(Uli Peil im XJ-Forum)
Re: Yamah RD 350 31K Bj.83
Falls du jetzt mit Teiletauschen anfängst, würde ich eventuell mit dem Pickup anfangen. Du kannst auch mal die Teile durchmessen (Ohm Werte aus dem Handbuch) und dabei mit dem Fön erhitzen. Wenn dann die Werte beim erhitzen schon extrem abdriften, hast du vielleicht schon deinen übeltäter. Das geht allerdings so erstmal nur bei dem Stator und dem Pickup.
Die CDI könntest du ebenfalls warm machen und dann starten oder während dem laufen lassen mal gut warm machen. Möglicherweise kannst du es so auch rausbekommen. Durchmessen wird bei einer CDI nichts.
Eine RD CDI habe ich keine, beim anschließen der Ignitech und dem Programmieren kann ich dir aber helfen.
Gruß
Ramon
Die CDI könntest du ebenfalls warm machen und dann starten oder während dem laufen lassen mal gut warm machen. Möglicherweise kannst du es so auch rausbekommen. Durchmessen wird bei einer CDI nichts.
Eine RD CDI habe ich keine, beim anschließen der Ignitech und dem Programmieren kann ich dir aber helfen.
Gruß
Ramon
Re: Yamah RD 350 31K Bj.83
Warum hält Deine Batterie nur 2-3 Jahre? Wenn man die etwas pflegt, dann geht das schon länger.
Wenn die Kiste länger steht einfach einen Ladungserhalter (~25 Euronen) dran und gut. Auch regelmäßig den Säurestand kontrollieren, mehr brauchts ned.
Dann kann man sich auch bedenkenlos eine Ignitech, Zeeltronic oder was auch immer dran bauen.
Ich bin ja Fan von einer Totaloperation, wenn man denn eindeutig festgestellt hat, daß die Zündung tot ist.
Neue Lima, neue CDI (inkl. YPVS Controller), neue Zündspule, dann ist erst einmal Ruhe für die nächsten Jahre.
Ja, kostet Geld, aber dann traut man dem Moped auch wieder mehr. Macht doch keinen Spaß, wenn die Kiste immer mal wieder abstellt...
Viele Grüße
Stefan
Wenn die Kiste länger steht einfach einen Ladungserhalter (~25 Euronen) dran und gut. Auch regelmäßig den Säurestand kontrollieren, mehr brauchts ned.
Dann kann man sich auch bedenkenlos eine Ignitech, Zeeltronic oder was auch immer dran bauen.
Ich bin ja Fan von einer Totaloperation, wenn man denn eindeutig festgestellt hat, daß die Zündung tot ist.
Neue Lima, neue CDI (inkl. YPVS Controller), neue Zündspule, dann ist erst einmal Ruhe für die nächsten Jahre.
Ja, kostet Geld, aber dann traut man dem Moped auch wieder mehr. Macht doch keinen Spaß, wenn die Kiste immer mal wieder abstellt...
Viele Grüße
Stefan
Re: Yamah RD 350 31K Bj.83
hi,
wow!!!
vielen dank für den top support
ich steck das jetzt nochmal alles zusammen und teste nochmal, wenn keine änderung sich einstellt gehe ich den weg mit ner neuen einheit.
macht sinn 1 for 2 !!
ist es denn ratsam die standard einstellung zum easy einbau zu kaufen ??
oder gibt es ne moderneres kennfeld was den lauf verbessert??
kann man eine bereits bespielte wieder ändern ??
bin da mehr so der analoge typ, einfach dummerweise verpennt diese richtung!!
gruss
wow!!!
vielen dank für den top support
ich steck das jetzt nochmal alles zusammen und teste nochmal, wenn keine änderung sich einstellt gehe ich den weg mit ner neuen einheit.
macht sinn 1 for 2 !!
ist es denn ratsam die standard einstellung zum easy einbau zu kaufen ??
oder gibt es ne moderneres kennfeld was den lauf verbessert??
kann man eine bereits bespielte wieder ändern ??
bin da mehr so der analoge typ, einfach dummerweise verpennt diese richtung!!
gruss
RD 350 YPVS 31 K voll orig. 1983
Malaguti Fifty HF Sport Bj. 80 (im Vorruhestand)
Malaguti Fifty HF Sport Bj. 80 (im Vorruhestand)
Re: Yamah RD 350 31K Bj.83
pick up prüfen macht sinn,
werte hab ich gefunden
werte hab ich gefunden
RD 350 YPVS 31 K voll orig. 1983
Malaguti Fifty HF Sport Bj. 80 (im Vorruhestand)
Malaguti Fifty HF Sport Bj. 80 (im Vorruhestand)
Re: Yamah RD 350 31K Bj.83
Bei den programmierbaren CDIs kann man fast jeden Parameter ändern mit Hilfe eines Softwaretools (meist auf dem PC installiert), praktisch beliebig oft.
Dafür muss man auch ned Informatik studiert haben.
Bisschen technischer Sachverstand hilft aber
Zum Start nimmt man die Standardwerte (bei meiner Zeeltronic war 31k Kurven schon drauf).
Wenn alles soweit läuft kann man anfangen zu optimieren.
Da gibt es hier genug Leute mit Erfahrung darin, ich habe letztendlich die 31k Zündkurve behalten und nur am YPVS etwas gedreht.
Viele Grüße
Stefan
Dafür muss man auch ned Informatik studiert haben.
Bisschen technischer Sachverstand hilft aber
Zum Start nimmt man die Standardwerte (bei meiner Zeeltronic war 31k Kurven schon drauf).
Wenn alles soweit läuft kann man anfangen zu optimieren.
Da gibt es hier genug Leute mit Erfahrung darin, ich habe letztendlich die 31k Zündkurve behalten und nur am YPVS etwas gedreht.
Viele Grüße
Stefan
- georg_horn
- Beiträge: 3030
- Registriert: Do 21. Sep 2006, 14:37
- Wohnort: Koblenz
- Kontaktdaten:

Re: Yamah RD 350 31K Bj.83
Was willst du an der Zündkurve auch verändern? Die ist ja schon so dass der Motor richtig läuft. Die Powervalve-Steuerzeiten kann / sollte man allerdings verändern, aber eher bei der 1WW. Da hat bei mir das umlöten auf "Kurve 14" viel ausgemacht. Bei der 31K geht das wohl ab Werk besser. Ansonsten müsste ich abnehmen und fahren üben, das würde mehr bringen als am Serienmotor an der Zündkurve rumzudrehen.
Die Batterie geht alle 2-3 Jahre kaputt weil Batterien Murks sind und kaputtgehen. Ausserdem zieht zumindest bei der 1WW offenbar der Regler einen kleinen Strom auch bei ausgeschalteter Zündung, das entlädt die Batterie und macht sie noch schneller kaputt. Ja ich weiss, man muss nur das Kabel abziehen nach der Fahrt oder ein Erhaltungsladegerät kaufen und immer ab- und anklemmen, immer mit der Säure rumpanschen und dabei einen Kopfstand machen und mit den Ohren wackeln, wie Steve Martin beim Trunkenheitstest in "The man with two brains".
Oder einen Kondensator einbauen.
So, genug gemeckert. Frohe Weihnachten an alle!
Die Batterie geht alle 2-3 Jahre kaputt weil Batterien Murks sind und kaputtgehen. Ausserdem zieht zumindest bei der 1WW offenbar der Regler einen kleinen Strom auch bei ausgeschalteter Zündung, das entlädt die Batterie und macht sie noch schneller kaputt. Ja ich weiss, man muss nur das Kabel abziehen nach der Fahrt oder ein Erhaltungsladegerät kaufen und immer ab- und anklemmen, immer mit der Säure rumpanschen und dabei einen Kopfstand machen und mit den Ohren wackeln, wie Steve Martin beim Trunkenheitstest in "The man with two brains".
Oder einen Kondensator einbauen.
So, genug gemeckert. Frohe Weihnachten an alle!
Gruss,
Georg
Fahrt so schnell ihr könnt, so lange ihr noch könnt!
(Uli Peil im XJ-Forum)
Georg
Fahrt so schnell ihr könnt, so lange ihr noch könnt!
(Uli Peil im XJ-Forum)
Re: Yamah RD 350 31K Bj.83
Ja Georg,ohne Batterie, nur mit Kondensator kann man die alten Kisten auch fahren, wurde ja hier schon hinlänglich diskutiert.
Was aber, wenn die gute alte CDI mal die Hufe hochreißt? Ignitech oder Zeeltronic scheidet aus, die brauchen eine Batterie. Auch die Varianten, die weiterhin die Ladespulen nutzen.
Alternativen:
- Man kauft sich was Gebrauchtes. Das ist dann auch min 40 Jahre alt.
- Man kauft sich einen Nachbau für teuer Geld
Ich habe mich für Batterie und Zeeltronic entschieden. Seit mehr als 5 Jahren habe ich damit keine Probleme, kann ich damit dem Kollegen hier so empfehlen. (Ignitech ist wohl günstiger)
Mein Regler leckt auch nicht wie ein junger Hund, somit kann das Moped auch mal min 2 Monate einfach in der Garage stehen ohne das die Bakterie tiefentladen wird.
Viele Grüße
Stefan
Was aber, wenn die gute alte CDI mal die Hufe hochreißt? Ignitech oder Zeeltronic scheidet aus, die brauchen eine Batterie. Auch die Varianten, die weiterhin die Ladespulen nutzen.
Alternativen:
- Man kauft sich was Gebrauchtes. Das ist dann auch min 40 Jahre alt.
- Man kauft sich einen Nachbau für teuer Geld
Ich habe mich für Batterie und Zeeltronic entschieden. Seit mehr als 5 Jahren habe ich damit keine Probleme, kann ich damit dem Kollegen hier so empfehlen. (Ignitech ist wohl günstiger)
Mein Regler leckt auch nicht wie ein junger Hund, somit kann das Moped auch mal min 2 Monate einfach in der Garage stehen ohne das die Bakterie tiefentladen wird.
Viele Grüße
Stefan