
Es gibt Tage, die man eigentlich nicht erleben möchte. Gestern war für mich so ein Tag.
Gestern ist ein guter Freund und ein Forum-Mitglied der ersten Stunde von uns gegangen.
Viel zu früh im Alter von 73 Jahren ist FRIEDEL verstorben und weilt nun nicht mehr unter uns.
Die meisten werden ihn persönlich gekannt und wegen seines einzigartigen Wesens geschätzt haben.
Die, die ihn kannten werden ihn sicher nicht vergessen.
Kurbelwelle anfertigen
Moderatoren: solo, Kilroy, Stefan Philipp (M)
Kurbelwelle anfertigen
Hallo kennt jemand eine Adresse die in der Lage ist Kurbelwellenteile anzufertigen.
Grössenordnung sind 57/58 mm Hub , Hubscheibe/Welle sind mit einenm Gleichdick formschlüssig verbunden und als Material soll "42CrMoS4 + QT" zum Einsatz kommen.
Sind dann mehrere Teile da 3Zyl.
Bisher kenne Ich nur Firma
A : Sowas können wir nicht
B : Als Bezahlung bitte 1 kg Gold, dann lassen wir uns damit erpessen
C : Kein Intresse.
Das das nicht nur 500 Euro kostet ist mir auch klar
Zeichnung ist vorhanden mit CAD (3D) Daten.
Gruss Martin
Grössenordnung sind 57/58 mm Hub , Hubscheibe/Welle sind mit einenm Gleichdick formschlüssig verbunden und als Material soll "42CrMoS4 + QT" zum Einsatz kommen.
Sind dann mehrere Teile da 3Zyl.
Bisher kenne Ich nur Firma
A : Sowas können wir nicht
B : Als Bezahlung bitte 1 kg Gold, dann lassen wir uns damit erpessen
C : Kein Intresse.
Das das nicht nur 500 Euro kostet ist mir auch klar
Zeichnung ist vorhanden mit CAD (3D) Daten.
Gruss Martin
Zuletzt geändert von Martin am Mi 10. Jun 2020, 14:21, insgesamt 2-mal geändert.
Was fehlt, kann auch nicht kaputt gehen
Hallo,
was sind denn das für Teile? Einfache runde Teile, oder sind sie komplizierter?
Verzahnungen vorhanden? Müssen Keilnuten geräumt werden?
Werden evtl. Hartmetalleinsätze eingepresst? Hubzapfen beidseitig gepresst oder angeabreitet? Es gibt sogar Wahnsinnige, die sich Wellen mit exzentrischen Hubzapfen haben herstellen lassen.
Das kann extrem teuer werden. Die Wellen müssen doch sicher nach dem Härten auch noch rundgeschliffen werden.
Hier 2 Adressen:
https://auerracing.de/?page_id=268
https://www.oldtimerracingparts.de/
Aus eigener Erfahung kann ich dir raten dir jmd. zu suchen, dessen Maschinenpark nicht besonders automatisiert ist.
Ich arbeite mit zwei Werkzeugmachermeistern, die in ihren Firmen auf ihrem jeweiligen Gebiet 80er-Jahre Equipment benutzen und Freude daran haben, ausgefallene Dinge zu fertigen. Wenn jmd. weiß wie es geht bedeutet das keine Präzisionseinbußen.
Bei modernen, vollautomatisierten Betrieben, die nur von Stückzahl leben wird man dir nicht helfen können. Die scheuen sich teils schon davor die Werkzeuge umzuspannen.
Desweiteren bespreche ich komplizierte Bauteile wie Zylinderköpfe, Steuerköpfe, ect. immer bevor ich die Teile rechne und zeichne.
Manchmal können kleine Details einen riesigen Fertigungsaufwand erforden, die ,anders gemacht, das Herstellen wesentlich vereinfachen.
Grüße,
Bernd
was sind denn das für Teile? Einfache runde Teile, oder sind sie komplizierter?
Verzahnungen vorhanden? Müssen Keilnuten geräumt werden?
Werden evtl. Hartmetalleinsätze eingepresst? Hubzapfen beidseitig gepresst oder angeabreitet? Es gibt sogar Wahnsinnige, die sich Wellen mit exzentrischen Hubzapfen haben herstellen lassen.
Das kann extrem teuer werden. Die Wellen müssen doch sicher nach dem Härten auch noch rundgeschliffen werden.
Hier 2 Adressen:
https://auerracing.de/?page_id=268
https://www.oldtimerracingparts.de/
Aus eigener Erfahung kann ich dir raten dir jmd. zu suchen, dessen Maschinenpark nicht besonders automatisiert ist.
Ich arbeite mit zwei Werkzeugmachermeistern, die in ihren Firmen auf ihrem jeweiligen Gebiet 80er-Jahre Equipment benutzen und Freude daran haben, ausgefallene Dinge zu fertigen. Wenn jmd. weiß wie es geht bedeutet das keine Präzisionseinbußen.
Bei modernen, vollautomatisierten Betrieben, die nur von Stückzahl leben wird man dir nicht helfen können. Die scheuen sich teils schon davor die Werkzeuge umzuspannen.
Desweiteren bespreche ich komplizierte Bauteile wie Zylinderköpfe, Steuerköpfe, ect. immer bevor ich die Teile rechne und zeichne.
Manchmal können kleine Details einen riesigen Fertigungsaufwand erforden, die ,anders gemacht, das Herstellen wesentlich vereinfachen.
Grüße,
Bernd
Hallo Bernd Danke für Deine Antwort.
https://de.wikipedia.org/wiki/Polygonverbindung
Ansonsten muss das natürlich zur Polrad bzw Primärritzel mechanisch kompatibel sein
Mit den heutigen Werkzeugen ist das Bearbeiten kein Problem mehr
(für den der die Maschinen das Werkzeug & "Know-how besitzt" )
Ja und genau den suche ich.
[s]Beispiele hier nur die Hubscheibe und Verbindungswelle[/s]
Attachments deutlich kleine als 160kB als jpg will er nicht na dann eben nicht
Martin
Das einzig andere an diesen Kurbelwellenteilen ist eben, daß diese nicht einfach wie bei der LC und Bj danach nur verpresst sind, oder mit einer Verzahnung wie bei den Luftgekühlten Modellen, sondern mit einem Gleichdick verpresst werden .was sind denn das für Teile? Einfache runde Teile, oder sind sie komplizierter?
Verzahnungen vorhanden? Müssen Keilnuten geräumt werden?
https://de.wikipedia.org/wiki/Polygonverbindung
Ansonsten muss das natürlich zur Polrad bzw Primärritzel mechanisch kompatibel sein
Ich habe extzentische Hubzapfen gemacht ist aber immer noch zu wenig Hub. . Das Material ist so gut das man da nach der Bearbeitung nichts mehr Härten muss.Werden evtl. Hartmetalleinsätze eingepresst? Hubzapfen beidseitig gepresst oder angeabreitet? Es gibt sogar Wahnsinnige, die sich Wellen mit exzentrischen Hubzapfen haben herstellen lassen.
Mit den heutigen Werkzeugen ist das Bearbeiten kein Problem mehr
Ja und genau den suche ich.
[s]Beispiele hier nur die Hubscheibe und Verbindungswelle[/s]
Attachments deutlich kleine als 160kB als jpg will er nicht na dann eben nicht
Martin
Was fehlt, kann auch nicht kaputt gehen
äusserts schwierig. Hmm was soll ich sagen das ist der Maico Mann und hat ein Haus voller Teile gefühlt mehr als Maico jemals selbst hatte. Egal welche Schublade Du aufmachst fallen da Maico Teile raus. Wenn es irgendwas von Maico jemals gab dann hat er es mit allergrösster Wahrscheinlichkeit.Döllinger hat geschrieben:Kennst du zufälligerweise einen gewissen U. Dietrich aus Leinfelden?Ich habe extzentische Hubzapfen gemacht ist aber immer noch zu wenig Hub.
@manicmecanic Normmässig heißt es P3G-22 . Wizigerweise ist in Kirchheim bei S die Firma die darin Spezialisiert ist . Leider viel zu teuer. Der Link sollte nur das Formschlüssige 2andere" prinzip veranschaulichen P3G sagt vielleicht nicht jedem etwas. http://www.polygon-gmbh.de/
@Kilroy Egal ob in der Mechanik oder IT wenn man es richtig macht funktioniert es immer. Habs wohl überlesen Danke Uwe.
Martin
- Dateianhänge
-
- scheibe.jpg (55.76 KiB) 4697 mal betrachtet
-
- welle.jpg (28.96 KiB) 4697 mal betrachtet
Was fehlt, kann auch nicht kaputt gehen
-
manicmecanic
Hallo,
das sind schon recht aufwändige Teile mit der Polygonverbindung. Soll das Präzisionsgewinne im Hinblick auf den Zündabstand bringen?
Ich schätze mal, eine Firma wird da mind. 3500 Euro berechnen. Da sollte man schon auf dem Teppich bleiben.
Das geht nur mit Beziehungen unter 1000.
Hatte auch mal 2 Zylinderköpfe (parallel) fräsen lassen. 53 Arbeitsstunden. Das hätte mich auch ein Vermögen gekostet.
Wenn man niemand hat, muss man eben in den sauren Apfel beißen.
Viel Grüße,
Bernd
das sind schon recht aufwändige Teile mit der Polygonverbindung. Soll das Präzisionsgewinne im Hinblick auf den Zündabstand bringen?
Ich schätze mal, eine Firma wird da mind. 3500 Euro berechnen. Da sollte man schon auf dem Teppich bleiben.
Das geht nur mit Beziehungen unter 1000.
Hatte auch mal 2 Zylinderköpfe (parallel) fräsen lassen. 53 Arbeitsstunden. Das hätte mich auch ein Vermögen gekostet.
Wenn man niemand hat, muss man eben in den sauren Apfel beißen.
Viel Grüße,
Bernd
Hallo Martin!
Das Projekt finde ich interessant!
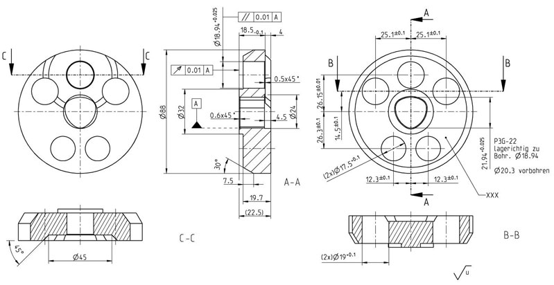
Es soll also eine 3-Zylinder-Welle werden?
Dann handelt es sich insgesamt um 13 Bauteile, außer Scheiben?
Das Teil "Welle" 2 mal,
"Scheibe" 6 mal,
dazu noch 3 Pleulzapfen, sowie 2 Wellenzapfen.
Somit gebe es 6 Polygonpaarungen herzustellen?
Geschrieben hast du 57 - 58 mm Hub.
Die Bohrung für den Pleulzapfen ist aber 26,15 mm aus der Mitte.
Macht doch nur 52,3 mm Hub. ???
Dann möchtest du die Polygonverbindung verpressen?
Hast aber als Presspassung im mittel etwa nur 0,04 mm Untermaß?
Finde ich persönlich zu wenig.
Wie bist du darauf gekommen?
Hast du schon mal überlegt die Arbeit aufteilen zu lassen?
Zuerst alle Teile irgendwo drehen lassen, dann irgendwo bohren lassen, usw.
Die Innenpolygone könnte man dann zb Drahtschneiden, obwohl ich als alter Erodierer dir davon abraten möchte!
Dann bleibt eigentlich nur Koordinatenschleifen als Herstellungsverfahren, was natürlich teuer ist, dafür aber Topqualität!
Die Aussenpolygone könnte man natürlich auch gleich Koordinatenschleifen.
Bei diesem Herstellungsverfahren kannst du bedenkenlos deine Toleranzen halbieren. Arbeiten auf 1 -2 µ ist hier nicht das Problem.
Allerdings: Je kleiner die Toleranz, desto teurer kostet der Preis.
Auch würde ich an die Polygonzapfen umlaufend etwa 1mm lang um das Pressspiel kleiner schleifen. Dann kannst du beim verpressen den Zapfen ganz genau positionieren!
Auch würde ich mir überlegen die Teile eventuell Einsatzhärten.
Als Lagerung für ein Nadellager sind nämlich 54 HRC einfach zu wenig.
Ich würde auch eher zu 34 Cr Ni Mo-6-8 tendieren.
Ist aber vermutlich nur Geschmacksache...
Du kannst mir auch gerne mal deine komplette Konstruktion zuschicken.
2D und 3D dann bitte per Mail.
c.baer63@gmx.de
Ich würde mir das gerne mal anschauen und vielleicht kann ich dir ja auch irgendwo bei behilflich sein.
Gruß
Brummi
Das Projekt finde ich interessant!
Es soll also eine 3-Zylinder-Welle werden?
Dann handelt es sich insgesamt um 13 Bauteile, außer Scheiben?
Das Teil "Welle" 2 mal,
"Scheibe" 6 mal,
dazu noch 3 Pleulzapfen, sowie 2 Wellenzapfen.
Somit gebe es 6 Polygonpaarungen herzustellen?
Geschrieben hast du 57 - 58 mm Hub.
Die Bohrung für den Pleulzapfen ist aber 26,15 mm aus der Mitte.
Macht doch nur 52,3 mm Hub. ???
Dann möchtest du die Polygonverbindung verpressen?
Hast aber als Presspassung im mittel etwa nur 0,04 mm Untermaß?
Finde ich persönlich zu wenig.
Wie bist du darauf gekommen?
Hast du schon mal überlegt die Arbeit aufteilen zu lassen?
Zuerst alle Teile irgendwo drehen lassen, dann irgendwo bohren lassen, usw.
Die Innenpolygone könnte man dann zb Drahtschneiden, obwohl ich als alter Erodierer dir davon abraten möchte!
Dann bleibt eigentlich nur Koordinatenschleifen als Herstellungsverfahren, was natürlich teuer ist, dafür aber Topqualität!
Die Aussenpolygone könnte man natürlich auch gleich Koordinatenschleifen.
Bei diesem Herstellungsverfahren kannst du bedenkenlos deine Toleranzen halbieren. Arbeiten auf 1 -2 µ ist hier nicht das Problem.
Allerdings: Je kleiner die Toleranz, desto teurer kostet der Preis.
Auch würde ich an die Polygonzapfen umlaufend etwa 1mm lang um das Pressspiel kleiner schleifen. Dann kannst du beim verpressen den Zapfen ganz genau positionieren!
Auch würde ich mir überlegen die Teile eventuell Einsatzhärten.
Als Lagerung für ein Nadellager sind nämlich 54 HRC einfach zu wenig.
Ich würde auch eher zu 34 Cr Ni Mo-6-8 tendieren.
Ist aber vermutlich nur Geschmacksache...
Du kannst mir auch gerne mal deine komplette Konstruktion zuschicken.
2D und 3D dann bitte per Mail.
c.baer63@gmx.de
Ich würde mir das gerne mal anschauen und vielleicht kann ich dir ja auch irgendwo bei behilflich sein.
Gruß
Brummi
In der Theorie gibt es keinen Unterschied zwischen Theorie und Praxis.
In der Praxis schon!
In der Praxis schon!
Hallo Brummi,
ja du hast recht. mit dem Hub das ist ja die Zeichnung einer Welle die Orginalmaße hat. Die kleineren 3 Zyl Kawas haben nur 52,3 mm Hub.
Ein Freund hat die Orginalwelle(n) S-Modell, H1,H2 nun mal gezeichnet. Nun habe ich mir für mich persönlich gedacht alles an die Grenze zu treiben
Erfahrung ja ich habe mit einigen Leuten gesprochen wegen dem Material und angeblich soll dieses Material "gut" genug sein um ohne Härten und Schleifen davon zu kommen. Das würde ja noch mehr kosten und irgendwann wird es utopisch.
Ich würde ja gleich bsp 3 Stk machen , wenn ich definitiv wüsste das es funktioniert aber nachher eine Kiste mit teuerem Schrott zu haben kann ich meiner Frau nicht wirklich klar machen.
Wenn Geld gar keine Rolle spielen würde dann würde ich es einfach probieren und beim zweiten mal die Fehler einfach korrigieren, oder man findet jemand der es eben weis und kann, wie deine vielleicht berechtigten Einwände bezüglich Material und Härte.
Die Teile sind die
1 x Hubscheibe Zündung
4 x inneren Hubscheiben mit innen Polygon
1 x Hubscheibe Primärtrieb
2 x Polygonzapfen
2 x Labyrinthdichtungen
Pleuel würde ich zukaufen müssen ja etwas länger sein
Ich schick dir mal die Betaversion der "Replica" Welle mit Orginal Hub
Gruss Martin
ja du hast recht. mit dem Hub das ist ja die Zeichnung einer Welle die Orginalmaße hat. Die kleineren 3 Zyl Kawas haben nur 52,3 mm Hub.
Ein Freund hat die Orginalwelle(n) S-Modell, H1,H2 nun mal gezeichnet. Nun habe ich mir für mich persönlich gedacht alles an die Grenze zu treiben
Erfahrung ja ich habe mit einigen Leuten gesprochen wegen dem Material und angeblich soll dieses Material "gut" genug sein um ohne Härten und Schleifen davon zu kommen. Das würde ja noch mehr kosten und irgendwann wird es utopisch.
Ich würde ja gleich bsp 3 Stk machen , wenn ich definitiv wüsste das es funktioniert aber nachher eine Kiste mit teuerem Schrott zu haben kann ich meiner Frau nicht wirklich klar machen.
Wenn Geld gar keine Rolle spielen würde dann würde ich es einfach probieren und beim zweiten mal die Fehler einfach korrigieren, oder man findet jemand der es eben weis und kann, wie deine vielleicht berechtigten Einwände bezüglich Material und Härte.
Die Teile sind die
1 x Hubscheibe Zündung
4 x inneren Hubscheiben mit innen Polygon
1 x Hubscheibe Primärtrieb
2 x Polygonzapfen
2 x Labyrinthdichtungen
Pleuel würde ich zukaufen müssen ja etwas länger sein
Ich schick dir mal die Betaversion der "Replica" Welle mit Orginal Hub
Gruss Martin
Was fehlt, kann auch nicht kaputt gehen

