Elektrik Spezial - Was ist mit unbelasteten Spulen ?

Hier findet Ihr die einzelnen Themen, welche zur Diskussion stehen.

Moderatoren: solo, Kilroy, Stefan Philipp (M)

Benutzeravatar
MK
Beiträge: 5491
Registriert: Di 16. Okt 2001, 01:00
Wohnort: Wolfenbüttel

Elektrik Spezial - Was ist mit unbelasteten Spulen ?

Beitrag von MK »

Hier mal eine Elektro-Spezial-Frage für die "Jung Du bist jetzt 42 Jahre und Elektroinschenör ...."

Nehmen wir mal an jemand klemmt sich eine DC-CDI an die RD Lima und hat die Ladespulen der CDI nicht angeschlossen. Was passiert mit denen ?

Mein Tip war ja sie erzeugen Spannung, aber da kein Verbraucher = kein Strom = nix passiert.

Gegenbehauptung: Sie "schmoren durch" aufgrund der fehlenden Belastung. (Siehe "experimentell" ermitteltes Ergebnis)

Ich hätte ja gesagt, das könnte nur bei Wicklungsschluss passieren.
Da ich ja o.g. Konfiguration selber fahre hab' ich natürlich gewisses Eigeninteresse an Klärung der Frage ;-)
Dateianhänge
IMG_2412.JPG
IMG_2412.JPG (59.54 KiB) 6751 mal betrachtet
Ciao
Martin
---------------------------------
SSDD (Stephen King, Dreamcatcher)
Benutzeravatar
RDThorsten
Beiträge: 7494
Registriert: Mi 6. Nov 2002, 01:00
Wohnort: 26160 Bad Zwischenahn 42,3 km bis zur Nordsee

Beitrag von RDThorsten »

Effekt und sieht aus wie pupsen mit Korken im Hintern.
If it isn`t smokin it`s broken!

Bild


Bild
Benutzeravatar
Zweitaktfahrer
Beiträge: 697
Registriert: Do 3. Jul 2003, 01:00
Wohnort: D > CH
Kontaktdaten:

Re: Elektrik Spezial - Was ist mit unbelasteten Spulen ?

Beitrag von Zweitaktfahrer »

MK hat geschrieben:(...)Mein Tip war ja sie erzeugen Spannung, aber da kein Verbraucher = kein Strom = nix passiert.
(...)
Hmm, jein... Die Limaspulen sind IMHO ziemlich 'weich' gewickelt, d.h., die Spannung geht bei Belastung ziemlich in die Knie. Fehlt nun die Belastung, steigt die Leerlaufspannung bei hoher Drehzahl so weit an, dass die Isolierung zwischen den Windungen durchschlägt. Dann hat man einen Windungsschluss mit den bekannten Folgen.
Es Grüessli
Uli

http://www.monetative.de/
Rehne
Beiträge: 360
Registriert: Mi 8. Feb 2006, 19:54
Wohnort: 14550 Groß Kreutz

Beitrag von Rehne »

Ich fahre ja die Konfiguration auch. Wie es auch immer aussieht, kann man da irgendwie Abhilfe schaffen? Spulen ausbauen ist jetzt nicht so DIE Alternative für mich...
Rehne


31K
31K
1WW
522
RD_JUPPI
Beiträge: 134
Registriert: Mo 24. Nov 2008, 11:38
Wohnort: Monheim
Germany

Beitrag von RD_JUPPI »

Hallo,

damit die Isolation an den Spulen nicht durchschlägt, sollte pro Spule ein Widerstand mit Zenerdiode die Spannungspitzen in Wärme umwandeln.
Dieses Prinzip wird bei den RD Gleichrichter/Spannungsregler so angewendet.

http://de.wikipedia.org/wiki/Zener-Diode

Gruß Josef
Benutzeravatar
ief
Beiträge: 106
Registriert: Mo 9. Jun 2003, 01:00
Wohnort: groningen/ holland

Beitrag von ief »

Das ist nu auch etwas, diesem kleiche discusion hatten wer auch am hollendischen forum. Einer der mitglied faht ein 2ma mit carmo zundung, hat jetst 3 durchgeslagen spulen weil die nicht angeslossen waren.

Nicht wirklich ein auflosung, einen hat gemeint das es war das wan die spulen nicht 'gebraucht'werden die spulen loser sein dan wann in gebrauch, dann vibrationen un dann Wicklungsschluss.

Bild

Bild

Hat im auch gesagt die nicht gebrauchte spulen zu losen aber hat er nicht gemacht, erfolge, wieder kaput.

Soll ihm auf diesen thread tippen und entschuldigung meinem deutch.
Benutzeravatar
Hiha
Beiträge: 1223
Registriert: Di 9. Okt 2007, 06:27
Wohnort: Neubiberg b. München
Germany

Beitrag von Hiha »

Bei den SR500-Rennern wurde festgestellt, dass die Lichtspulen eine Nichtbelastung ganz gut aushalten, die CDI-Ladespulen, die unbelastet bei Höchstdrehzahl mehrere Kilovolt Leerlaufspannung erreichen, sterben aber durch Isolationsschäden. Das bestätigt Deinen Selbstversuch.

Gruß
Hans
Benutzeravatar
MK
Beiträge: 5491
Registriert: Di 16. Okt 2001, 01:00
Wohnort: Wolfenbüttel

Beitrag von MK »

Na man gut, dass ich noch genügend defekte RD Lima's übrig habe ... und hoffentlich hat's die heile in der Renn-RD noch nicht zerlegt ...
Ciao
Martin
---------------------------------
SSDD (Stephen King, Dreamcatcher)
Benutzeravatar
Nödel
Beiträge: 853
Registriert: Mi 10. Sep 2003, 01:00
Wohnort: Gleich um die Ecke

Beitrag von Nödel »

Hallo

Oh , schöne Sch... , ist natürlich klar daß die Spannung ins "Unendliche" hochgeht . Ich schätze ein 1k Ohm Wiederstand dürfte da wohl Abhilfe schaffen , oder raus mit den Spulen , dann hast du auch weniger Wärmeentwicklung in der Lima .

Gruß Nödel
RD_JUPPI
Beiträge: 134
Registriert: Mo 24. Nov 2008, 11:38
Wohnort: Monheim
Germany

Beitrag von RD_JUPPI »

Hallo Nödel,

würde ich mit dem 1 K nicht machen. Bedeutet das bei ca. 200V Spulenspannung 40 Watt verbratet wird und dadurch die Spule belastet wird.

Gruß Josef
Benutzeravatar
MK
Beiträge: 5491
Registriert: Di 16. Okt 2001, 01:00
Wohnort: Wolfenbüttel

Beitrag von MK »

Jau, so siehddas aus.
Was ev. gehen könnte wäre ganz platt eine 220V Lampe anzuklemmen. Die hätte die nötige Wattzahl und man könnte damit z.b. den Luftfilter von innen beleuchten ;-)
Ciao
Martin
---------------------------------
SSDD (Stephen King, Dreamcatcher)
Rehne
Beiträge: 360
Registriert: Mi 8. Feb 2006, 19:54
Wohnort: 14550 Groß Kreutz

Beitrag von Rehne »

Geht besonders im Winter gut, dann frieren Dir die Vergaser bzw. die Gleichdruckschieber nicht ein.
Am Samstag bin ich eingeladen und da sind auch nen Sack voll studierter E-Techniker dabei. Ich werde das Thema mal vorbringen, dann haben die den Abend lang nen Thema.
Rehne


31K
31K
1WW
522
Benutzeravatar
MK
Beiträge: 5491
Registriert: Di 16. Okt 2001, 01:00
Wohnort: Wolfenbüttel

Beitrag von MK »

Das isses: Heizmatten unter die Sitzbank!


Das mit dem Ballast ist z.B. an den alten Honda MB/ MT8 zu finden. Wenn ich ich recht entsinne war da ein Widerstand verbaut, der statt der Lampe geschaltet wurde, wenn Du das Licht ausgemacht hast.
Ciao
Martin
---------------------------------
SSDD (Stephen King, Dreamcatcher)
Benutzeravatar
Bigbike-Hunter
Beiträge: 2887
Registriert: Di 4. Apr 2006, 17:35
Wohnort: Bauschheim
Germany

Beitrag von Bigbike-Hunter »

MK hat geschrieben:Jau, so siehddas aus.
Was ev. gehen könnte wäre ganz platt eine 220V Lampe anzuklemmen. Die hätte die nötige Wattzahl und man könnte damit z.b. den Luftfilter von innen beleuchten ;-)
So einfach die 40 Watt mit einem Widerstand / Zenerdiode zu verbraten
widerstrebt mir etwas ( zus. Wärmebelastung, Kühlkörper, Fehlerquelle ),
die 40 W kommen ja nicht aus der Luft, sondern werden von der Lima
erzeugt, m.E. sollte man die Spulen entfernen und hat wieder 40 W mehr
Leistung :mrgreen:

VG BBH
RD350LC - leider verkauft,
MT-09 RN29 - total begeistert !
aber einmal 2T-Fan, bleibt 2T-Fan. :wink:
RD_JUPPI
Beiträge: 134
Registriert: Mo 24. Nov 2008, 11:38
Wohnort: Monheim
Germany

Beitrag von RD_JUPPI »

Hallo ,

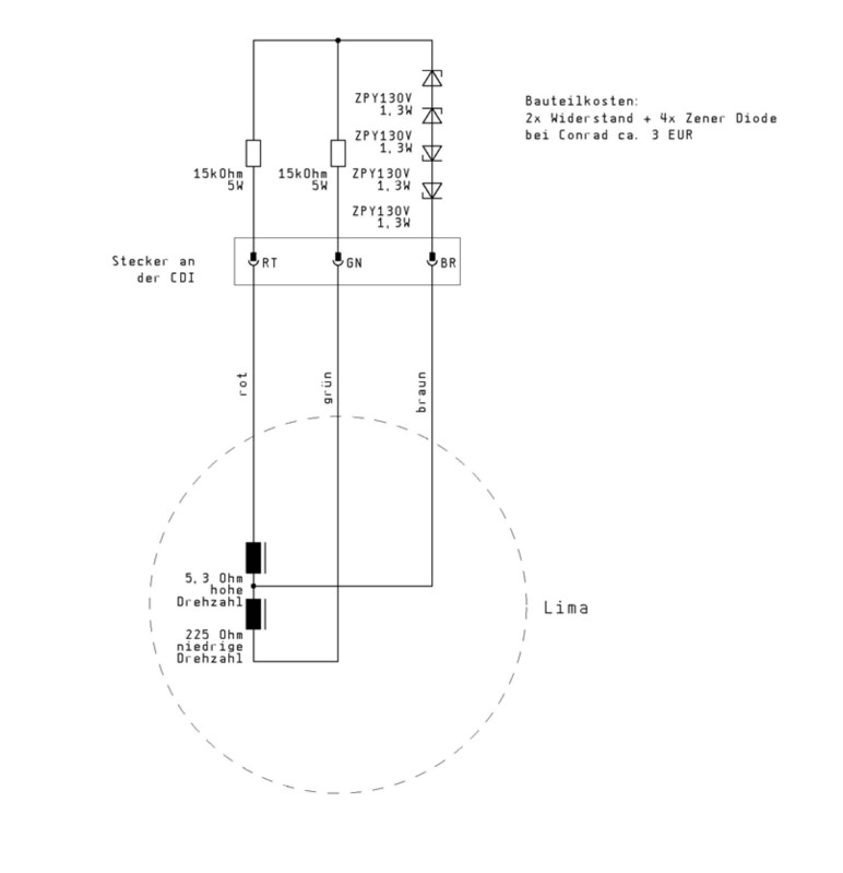
habe mal so aus dem Bauch heraus einen Vorschlag zu machen. (Ohne Gewähr) :idea:
Komme im Moment nicht dazu mein Oszilloskop dran zu hängen.
Die Spannung wird auf 260V begrenzt und nur die Spannungsspitzen (über 260V) werden für die Popo-Heizung verbraten.
Also keine volle Belastung der Spulen. :lol:

Gruß Josef
Dateianhänge
CDI_31K.jpg
CDI_31K.jpg (32.51 KiB) 6541 mal betrachtet
Antworten